|
|
附件1
霍邱县工程质量监督站
2021年单位预算公开
2021年2月
目 录
第一部分 单位概况
1.单位职责
2.单位机构设置和人员情况
3.2021年主要工作任务
第二部分 2021年单位预算表
1.2021年财政拨款收支总体情况表
2.2021年一般公共预算支出预算情况表
3.2021年一般公共预算基本支出预算情况表
4.2021年政府性基金预算收支总表
5.2021年国有资本经营预算收支总表
6.2021年单位收支总体情况表
7.2021年单位收入预算总体情况表
8.2021年单位支出预算总体情况表
9.2021年单位基本支出预算总体情况表
10.2021年单位政府采购支出预算表
11.2021年单位政府购买服务支出预算表
12.2021年单位一般公共预算“三公”经费支出情况表
13.2021年项目支出预算绩效目标表
14.2021年单位整体支出绩效目标申报表
第三部分 2021年单位预算情况说明
1.关于2021年财政拨款收支预算总体情况说明
2.关于2021年单位一般公共预算安排情况说明
3.关于2021年单位一般公共预算基本支出安排情况说明
4.关于2021年单位政府性基金预算安排情况说明
5.关于2021年单位国有资本经营预算安排情况说明
6.关于2021年单位收支预算总体情况说明
7.关于2021年单位收入预算总体情况说明
8.关于2021年单位支出预算总体情况说明
9.关于2021年单位项目支出预算安排情况说明
10.关于2021年单位一般公共预算安排“三公”经费情况说明
11.其他重要事项情况说明
第四部分 2021年单位预算重要名词解释
第一部分 单位概况
一、单位职责
根据《中华人民共和国建筑法》、《建设工程质量管理条例》、《中华人民共和国住房和城乡建设部第五号令》文件规定,霍邱县工程质量监督站单位主要职责是:
为建筑工程质量提供监督保障,核查受监工程的勘察、设计、施工监理及建筑物件厂的资质、营业范围和从业人员资格证书,备案竣工工程,抽查在建工程,参与工程质量事故处理。
二、单位机构设置和人员情况
霍邱县工程质量监督站2021年度单位预算,纳入单位预算编制范围的单位共1个,(其中:行政单位0个;参照公务员管理事业单位0个,不含参公单位单位1个),编制5个(其中:行政编0个,参公编0个,事业编5个),实有人数13人(其中:在职13人,离休0人,退休0人)。
三、2021年主要工作任务
(一)、强化住宅工程质量通病整治工作
(二)以“双随机、一公开”的方式开展在建工程质量巡查和专项检查,全面掌握工程质量动态
(三)明确各方责任主体工程质量责任,落实“建设单位首要责任”
(四)做好工程质量投诉受理和处理、维护社会稳定
(五)强化各项验收监督的工作程序,保证使用功能
第二部分 2021年单位预算表
霍邱县工程质量监督站2021年单位预算表由以下14张表格构成,具体表格内容见附表。
1.2021年财政拨款收支总体情况表(附表1)
2.2021年一般公共预算支出预算情况表(附表2)
3.2021年一般公共预算基本支出预算情况表(附表3)
4.2021年政府性基金预算收支总表(附表4)
5.2021年国有资本经营预算收支总表(附表5)
6.2021年单位收支总体情况表(附表6)
7.2021年单位收入预算总体情况表(附表7)
8.2021年单位支出预算总体情况表(附表8)
9.2021年单位基本支出预算总体情况表(附表9)
10.2021年单位政府采购支出预算表(附表10)
11.2021年单位政府购买服务支出预算表(附表11)
12.2021年单位一般公共预算“三公”经费支出情况表(附表12)
13.2021年项目支出预算绩效目标表(附表13)
14.2021年单位整体支出绩效目标申报表(附表14)
第三部分 2021年单位预算情况说明
一、关于2021年财政拨款收支预算总体情况说明
霍邱县工程质量监督站2021年财政拨款收支预算39.38万元,较上年增加6.53万元,增长16.58%,主要原因:新招进一名事业单位工作人员。收入来源为:一般公共预算拨款收入;支出按功能分类分为城乡社区支出。
二、关于2021年单位一般公共预算安排情况说明
霍邱县工程质量监督站一般公共预算收入39.38万元,较上年增加6.53万元,增长16.58%,各项支出增减原因分析:因新招考进一名事业单位工作人员,工资福利增加5.83万元、综合定额收入增加0.7万元。一般公共预算支出39.38万元,比上年预算数增加6.53万元,增长16.58%,各项支出增减原因分析:因新招考进一名事业单位工作人员,故工资福利支出增加5.83万元、综合定额支出增加0.7万元。
三、关于2021年单位一般公共预算基本支出安排情况说明
霍邱县工程质量监督站2021年一般公共预算基本支出39.38万元,具体情况如下:
(一)工资福利支出35.16万元,主要包括:基本工资15.99万元、津贴补贴9.96万元、医疗保险1.82万元、养老保险4.15万元、住房公积金3.11万元、其他社会保障缴费0.13万元
(二)商品和服务支出4.22万元,主要包括:综合定额公用支出3.5万元、工会支出0.32万元、福利费支出0.4万元
四、关于2021年单位政府性基金预算安排情况说明
霍邱县工程质量监督站2021年政府性基金收入预算0万元。
霍邱县工程质量监督站2021年政府性基金支出预算0万元。
五、关于2021年单位国有资本经营预算安排情况说明
霍邱县工程质量监督站2021年国有资本经营收入预算0万元。
霍邱县工程质量监督站2021年国有资本经营支出预算0万元。
六、关于2021年单位收支预算总体情况说明
按照综合预算管理的原则,霍邱县工程质量监督站所有收入和支出均纳入单位预算管理。霍邱县工程质量监督站2021年收支总预算39.38万元,较上年增加6.53万元,增长16.58%,主要原因新招进一名事业单位工作人员。收入来源为:一般公共预算拨款收入39.38万元;支出包括:城乡社区支出39.38万元。
七、关于2021年单位收入预算总体情况说明
2021年单位组织收入39.38万元,单位可支配收入39.38万元,同上年相比增长6.53万元,原因主要是新招进一名事业单位工作人员。
八、关于2021年单位支出预算总体情况说明
2021年单位支出预算总额39.38万元,同上年相比增加6.53万元。其中:财政拨款(补助)安排39.38万元,同上年相比增加6.53万元。各项支出增减原因分析:新招进一名事业单位工作人员。
九、关于2021年单位项目支出预算安排情况说明
霍邱县工程质量监督站无项目支出
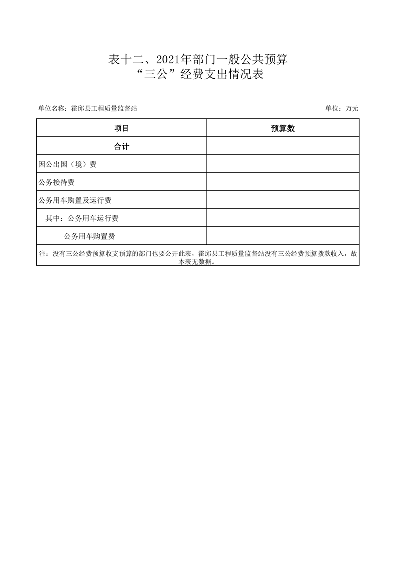
十、关于2021年单位一般公共预算安排“三公”经费情况说明
根据“三公”经费预算管理有关规定,结合部门实际,2021年共安排“三公”经费预算0万元,较上年无变化。其中:因公出国(境)费支出预算为0万元,公务接待费支出预算为0万元,公务用车购置及运行费支出预算为0万元。具体情况如下:
(一)因公出国(境)费支出0万元,较上年预算无变化。主要原因依据“三公”经费预算管理有关规定质监站无“三公”经费。
(二)公务接待费支出0万元,较上年无变化,主要原因是主要原因依据“三公”经费预算管理有关规定质监站无“三公”经费。
(三)公务用车购置及运行费支出0万元,较上年预算无变化。其中:公务用车购置0万元,与上年预算无变化;公务用车运行维护费0万元,与上年预算无变化。主要原因依据“三公”经费预算管理有关规定质监站无“三公”经费。
十一、其他重要事项情况说明
(一)机关运行经费安排情况。
2021年霍邱县工程质量监督站机关运行经费安排4.22万元,包括:培训费2.5万元、办公费1万元、工会经费0.32万元、福利费0.4万元,较上年增加0.84万元,增长19.93%,主要原因是监督员培训两年一次上一年无培训。
(二)政府采购预算安排情况。
2021年霍邱县工程质量监督站无政府采购预算
(三)国有资产占有使用情况。
根据国有资产管理文件规定,霍邱县工程质量监督站已整体迁入县政务服务中心规划展示馆大楼内,霍邱县工程质量监督站办公用房属于霍邱县住建局,国有资产交由国有资产管理中心统一管理。目前的固定资产主要是办公设备和办公家具,均在使用状态中。
(四)项目及绩效目标情况。
霍邱县工程质量监督站没有财政部门批复绩效目标的项目
第四部分 2021年单位预算重要名词解释
一、财政拨款收入:是指县财政当年拨付的资金,主要包括一般公共预算拨款收入、政府性基金预算拨款收入、国有资本经营预算拨款收入。
二、基本支出:是指保障机构正常运转、完成日常工作任务而发生的人员支出和公用支出。
三、项目支出:是指基本支出之外为完成特定行政任务和事业发展目标所发生的支出。
四、“三公”经费:纳入财政预决算管理的“三公”经费,是指单位用财政拨款安排的因公出国(境)费、公务用车购置及运行费和公务接待费。其中,因公出国(境)费反映单位公务出国(境)的国际旅费、国外城市间交通费、住宿费、伙食费、培训费、公杂费等支出;公务用车购置及运行费反映单位公务用车购置支出(含车辆购置税)及燃料费、维修费、过桥过路费、保险费、安全奖励费用等支出;公务接待费反映单位按规定开支的各类公务接待(含外宾接待)支出。
五、机关运行费:是指各单位的公用经费,包括办公及印刷费、邮电费、差旅费、会议费、福利费、日常维修费、专用材料及一般设备购置费、办公用房水电费、办公用房取暖费、办公用房物业管理费、公务用车运行维护费以及其他费用。
附表:2021年单位预算表(14张)
1.2021年财政拨款收支总体情况表.PDF
2.2021年一般公共预算支出预算情况表.PDF
3.2021年一般公共预算基本支出预算情况表.PDF
4.2021年政府性基金预算收支总表.PDF
5.2021年国有资本经营预算收支总表.PDF
6.2021年单位收支总体情况表.PDF
7.2021年单位收入预算总体情况表.PDF
8.2021年单位支出预算总体情况表.PDF
9.2021年单位基本支出预算总体情况表.PDF
10.2021年单位政府采购支出预算表.PDF
11.2021年单位政府购买服务支出预算表.PDF
12.2021年单位一般公共预算“三公”经费支出情况表.PDF
13.2021年项目支出预算绩效目标表.PDF
14.2021年单位整体支出绩效目标申报表.PDF

















附件1
霍邱县工程质量监督站
2021年单位预算公开
2021年2月
目 录
第一部分 单位概况
1.单位职责
2.单位机构设置和人员情况
3.2021年主要工作任务
第二部分 2021年单位预算表
1.2021年财政拨款收支总体情况表
2.2021年一般公共预算支出预算情况表
3.2021年一般公共预算基本支出预算情况表
4.2021年政府性基金预算收支总表
5.2021年国有资本经营预算收支总表
6.2021年单位收支总体情况表
7.2021年单位收入预算总体情况表
8.2021年单位支出预算总体情况表
9.2021年单位基本支出预算总体情况表
10.2021年单位政府采购支出预算表
11.2021年单位政府购买服务支出预算表
12.2021年单位一般公共预算“三公”经费支出情况表
13.2021年项目支出预算绩效目标表
14.2021年单位整体支出绩效目标申报表
第三部分 2021年单位预算情况说明
1.关于2021年财政拨款收支预算总体情况说明
2.关于2021年单位一般公共预算安排情况说明
3.关于2021年单位一般公共预算基本支出安排情况说明
4.关于2021年单位政府性基金预算安排情况说明
5.关于2021年单位国有资本经营预算安排情况说明
6.关于2021年单位收支预算总体情况说明
7.关于2021年单位收入预算总体情况说明
8.关于2021年单位支出预算总体情况说明
9.关于2021年单位项目支出预算安排情况说明
10.关于2021年单位一般公共预算安排“三公”经费情况说明
11.其他重要事项情况说明
第四部分 2021年单位预算重要名词解释
第一部分 单位概况
一、单位职责
根据《中华人民共和国建筑法》、《建设工程质量管理条例》、《中华人民共和国住房和城乡建设部第五号令》文件规定,霍邱县工程质量监督站单位主要职责是:
为建筑工程质量提供监督保障,核查受监工程的勘察、设计、施工监理及建筑物件厂的资质、营业范围和从业人员资格证书,备案竣工工程,抽查在建工程,参与工程质量事故处理。
二、单位机构设置和人员情况
霍邱县工程质量监督站2021年度单位预算,纳入单位预算编制范围的单位共1个,(其中:行政单位0个;参照公务员管理事业单位0个,不含参公单位单位1个),编制5个(其中:行政编0个,参公编0个,事业编5个),实有人数13人(其中:在职13人,离休0人,退休0人)。
三、2021年主要工作任务
(一)、强化住宅工程质量通病整治工作
(二)以“双随机、一公开”的方式开展在建工程质量巡查和专项检查,全面掌握工程质量动态
(三)明确各方责任主体工程质量责任,落实“建设单位首要责任”
(四)做好工程质量投诉受理和处理、维护社会稳定
(五)强化各项验收监督的工作程序,保证使用功能
第二部分 2021年单位预算表
霍邱县工程质量监督站2021年单位预算表由以下14张表格构成,具体表格内容见附表。
1.2021年财政拨款收支总体情况表(附表1)
2.2021年一般公共预算支出预算情况表(附表2)
3.2021年一般公共预算基本支出预算情况表(附表3)
4.2021年政府性基金预算收支总表(附表4)
5.2021年国有资本经营预算收支总表(附表5)
6.2021年单位收支总体情况表(附表6)
7.2021年单位收入预算总体情况表(附表7)
8.2021年单位支出预算总体情况表(附表8)
9.2021年单位基本支出预算总体情况表(附表9)
10.2021年单位政府采购支出预算表(附表10)
11.2021年单位政府购买服务支出预算表(附表11)
12.2021年单位一般公共预算“三公”经费支出情况表(附表12)
13.2021年项目支出预算绩效目标表(附表13)
14.2021年单位整体支出绩效目标申报表(附表14)
第三部分 2021年单位预算情况说明
一、关于2021年财政拨款收支预算总体情况说明
霍邱县工程质量监督站2021年财政拨款收支预算39.38万元,较上年增加6.53万元,增长16.58%,主要原因:新招进一名事业单位工作人员。收入来源为:一般公共预算拨款收入;支出按功能分类分为城乡社区支出。
二、关于2021年单位一般公共预算安排情况说明
霍邱县工程质量监督站一般公共预算收入39.38万元,较上年增加6.53万元,增长16.58%,各项支出增减原因分析:因新招考进一名事业单位工作人员,工资福利增加5.83万元、综合定额收入增加0.7万元。一般公共预算支出39.38万元,比上年预算数增加6.53万元,增长16.58%,各项支出增减原因分析:因新招考进一名事业单位工作人员,故工资福利支出增加5.83万元、综合定额支出增加0.7万元。
三、关于2021年单位一般公共预算基本支出安排情况说明
霍邱县工程质量监督站2021年一般公共预算基本支出39.38万元,具体情况如下:
(一)工资福利支出35.16万元,主要包括:基本工资15.99万元、津贴补贴9.96万元、医疗保险1.82万元、养老保险4.15万元、住房公积金3.11万元、其他社会保障缴费0.13万元
(二)商品和服务支出4.22万元,主要包括:综合定额公用支出3.5万元、工会支出0.32万元、福利费支出0.4万元
四、关于2021年单位政府性基金预算安排情况说明
霍邱县工程质量监督站2021年政府性基金收入预算0万元。
霍邱县工程质量监督站2021年政府性基金支出预算0万元。
五、关于2021年单位国有资本经营预算安排情况说明
霍邱县工程质量监督站2021年国有资本经营收入预算0万元。
霍邱县工程质量监督站2021年国有资本经营支出预算0万元。
六、关于2021年单位收支预算总体情况说明
按照综合预算管理的原则,霍邱县工程质量监督站所有收入和支出均纳入单位预算管理。霍邱县工程质量监督站2021年收支总预算39.38万元,较上年增加6.53万元,增长16.58%,主要原因新招进一名事业单位工作人员。收入来源为:一般公共预算拨款收入39.38万元;支出包括:城乡社区支出39.38万元。
七、关于2021年单位收入预算总体情况说明
2021年单位组织收入39.38万元,单位可支配收入39.38万元,同上年相比增长6.53万元,原因主要是新招进一名事业单位工作人员。
八、关于2021年单位支出预算总体情况说明
2021年单位支出预算总额39.38万元,同上年相比增加6.53万元。其中:财政拨款(补助)安排39.38万元,同上年相比增加6.53万元。各项支出增减原因分析:新招进一名事业单位工作人员。
九、关于2021年单位项目支出预算安排情况说明
霍邱县工程质量监督站无项目支出
十、关于2021年单位一般公共预算安排“三公”经费情况说明
根据“三公”经费预算管理有关规定,结合部门实际,2021年共安排“三公”经费预算0万元,较上年无变化。其中:因公出国(境)费支出预算为0万元,公务接待费支出预算为0万元,公务用车购置及运行费支出预算为0万元。具体情况如下:
(一)因公出国(境)费支出0万元,较上年预算无变化。主要原因依据“三公”经费预算管理有关规定质监站无“三公”经费。
(二)公务接待费支出0万元,较上年无变化,主要原因是主要原因依据“三公”经费预算管理有关规定质监站无“三公”经费。
(三)公务用车购置及运行费支出0万元,较上年预算无变化。其中:公务用车购置0万元,与上年预算无变化;公务用车运行维护费0万元,与上年预算无变化。主要原因依据“三公”经费预算管理有关规定质监站无“三公”经费。
十一、其他重要事项情况说明
(一)机关运行经费安排情况。
2021年霍邱县工程质量监督站机关运行经费安排4.22万元,包括:培训费2.5万元、办公费1万元、工会经费0.32万元、福利费0.4万元,较上年增加0.84万元,增长19.93%,主要原因是监督员培训两年一次上一年无培训。
(二)政府采购预算安排情况。
2021年霍邱县工程质量监督站无政府采购预算
(三)国有资产占有使用情况。
根据国有资产管理文件规定,霍邱县工程质量监督站已整体迁入县政务服务中心规划展示馆大楼内,霍邱县工程质量监督站办公用房属于霍邱县住建局,国有资产交由国有资产管理中心统一管理。目前的固定资产主要是办公设备和办公家具,均在使用状态中。
(四)项目及绩效目标情况。
霍邱县工程质量监督站没有财政部门批复绩效目标的项目
第四部分 2021年单位预算重要名词解释
一、财政拨款收入:是指县财政当年拨付的资金,主要包括一般公共预算拨款收入、政府性基金预算拨款收入、国有资本经营预算拨款收入。
二、基本支出:是指保障机构正常运转、完成日常工作任务而发生的人员支出和公用支出。
三、项目支出:是指基本支出之外为完成特定行政任务和事业发展目标所发生的支出。
四、“三公”经费:纳入财政预决算管理的“三公”经费,是指单位用财政拨款安排的因公出国(境)费、公务用车购置及运行费和公务接待费。其中,因公出国(境)费反映单位公务出国(境)的国际旅费、国外城市间交通费、住宿费、伙食费、培训费、公杂费等支出;公务用车购置及运行费反映单位公务用车购置支出(含车辆购置税)及燃料费、维修费、过桥过路费、保险费、安全奖励费用等支出;公务接待费反映单位按规定开支的各类公务接待(含外宾接待)支出。
五、机关运行费:是指各单位的公用经费,包括办公及印刷费、邮电费、差旅费、会议费、福利费、日常维修费、专用材料及一般设备购置费、办公用房水电费、办公用房取暖费、办公用房物业管理费、公务用车运行维护费以及其他费用。
附表:2021年单位预算表(14张)
1.2021年财政拨款收支总体情况表.PDF
2.2021年一般公共预算支出预算情况表.PDF
3.2021年一般公共预算基本支出预算情况表.PDF
4.2021年政府性基金预算收支总表.PDF
5.2021年国有资本经营预算收支总表.PDF
6.2021年单位收支总体情况表.PDF
7.2021年单位收入预算总体情况表.PDF
8.2021年单位支出预算总体情况表.PDF
9.2021年单位基本支出预算总体情况表.PDF
10.2021年单位政府采购支出预算表.PDF
11.2021年单位政府购买服务支出预算表.PDF
12.2021年单位一般公共预算“三公”经费支出情况表.PDF
13.2021年项目支出预算绩效目标表.PDF
14.2021年单位整体支出绩效目标申报表.PDF