返回首页
长辈版
无障碍
网站首页
>
365足球外围
>霍邱县委宣传部
>
财政决算
索
引
号:
11341423003237011H/202410-00001
组配分类:
财政决算
发布机构:
霍邱县委宣传部
主题分类:
财政、金融、审计、统计,其他
成文日期:
暂无
发文日期:
2024-09-27 15:48
文 号:
关
键
词:
名 称:
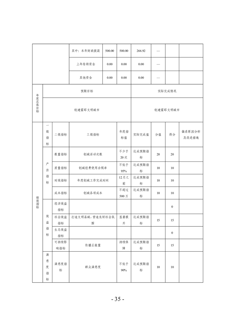
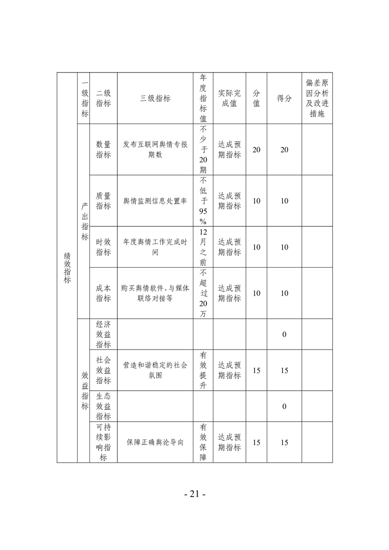
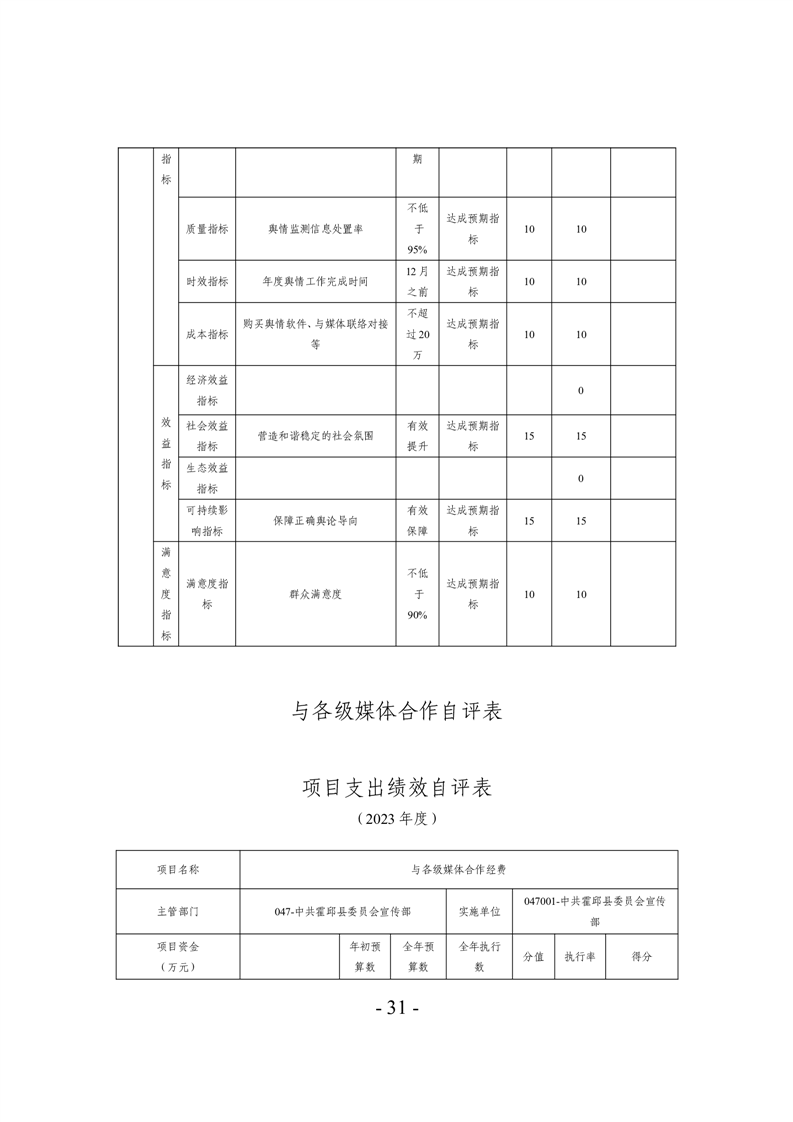
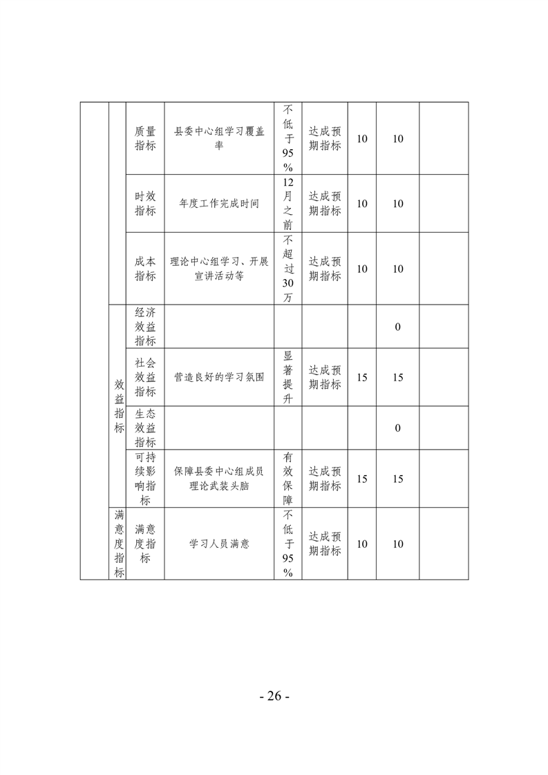
霍邱县委宣传部2023年单位决算公开
有
效
性:
有效
霍邱县委宣传部2023年单位决算公开
浏览次数:
来源:霍邱县委宣传部
时间:2024-09-27 15:48
我要纠错
文字大小:[
大
中
小
]
背景色:
标签:
文件下载
政策咨询
如果您对该政策文件有疑问,可以拨打标题上方的电话咨询相关部门。
打印本页
关闭窗口
波胆网