返回首页
长辈版
无障碍
网站首页
>
365体育投注
>霍邱县曹庙镇
>
财政资金
>
财政专项资金管理和使用情况
>
重度残疾人护理补贴资金管理和使用
>
政策与标准
索
引
号:
11341423003236641F/202505-00019
组配分类:
政策与标准
发布机构:
霍邱县曹庙镇
主题分类:
残疾人工作,其他
成文日期:
暂无
发文日期:
2025-05-19 08:59
文 号:
关
键
词:
名 称:
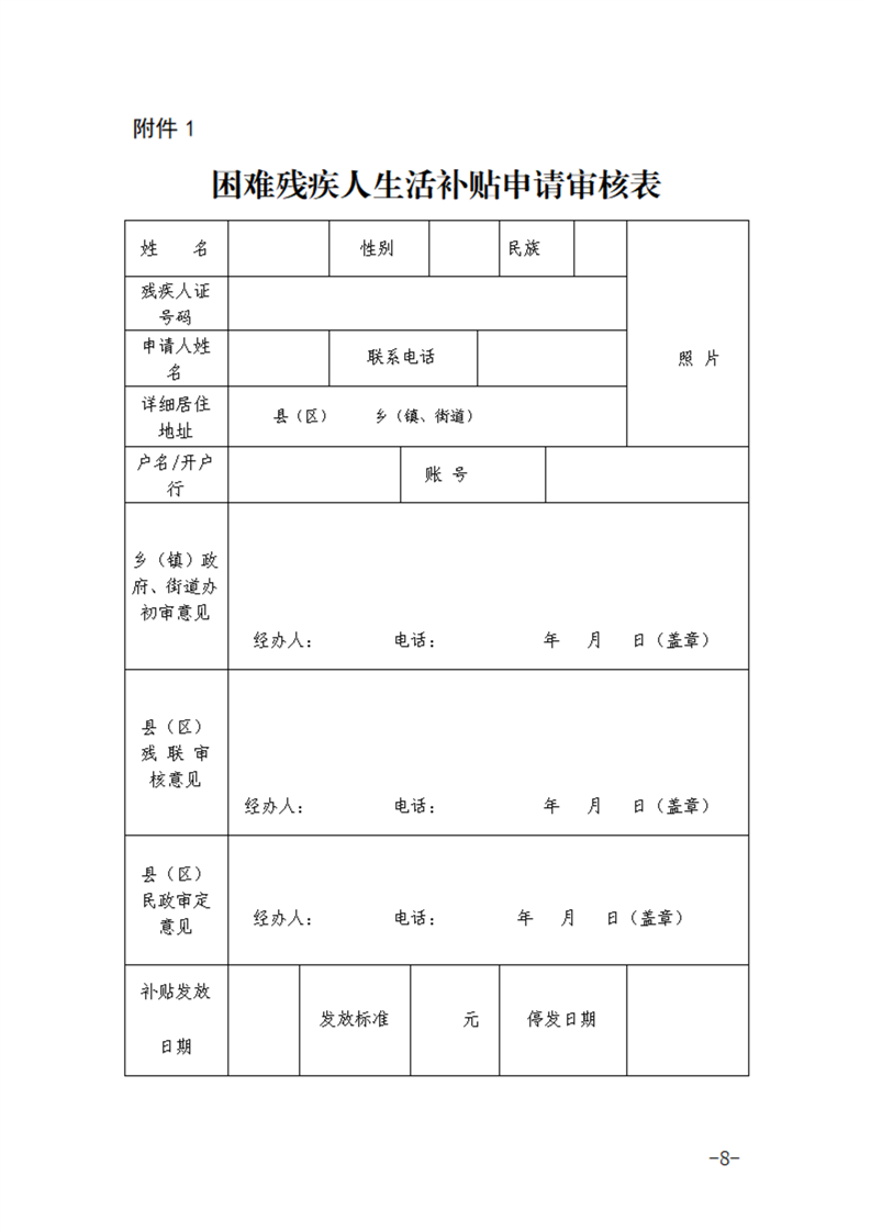
【实施方案】六安市民政局 六安市财政局 六安市残联关于印发《六安市困难残疾人生活和重度残疾人护理补贴实施方案》的通知
有
效
性:
有效
【实施方案】六安市民政局 六安市财政局 六安市残联关于印发《六安市困难残疾人生活和重度残疾人护理补贴实施方案》的通知
浏览次数:
来源:霍邱县曹庙镇
时间:2025-05-19 08:59
我要纠错
文字大小:[
大
中
小
]
背景色:
标签:
文件下载
政策咨询
如果您对该政策文件有疑问,可以拨打标题上方的电话咨询相关部门。
打印本页
关闭窗口
map