返回首页
长辈版
无障碍
网站首页
>
365足球外围
>霍邱县退役军人事务局
>
财政资金
>
年度财政预决算及“三公” 经费情况
>
本部门决算
索
引
号:
11341423MB1566428F/202109-00033
组配分类:
本部门决算
发布机构:
霍邱县退役军人事务局
主题分类:
财政、金融、审计、统计,其它
成文日期:
暂无
发文日期:
2021-09-28 14:44
文 号:
关
键
词:
名 称:
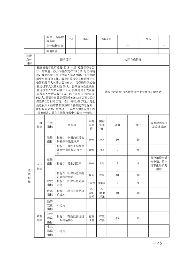
霍邱县退役军人事务局2020年度部门决算公开
有
效
性:
有效
霍邱县退役军人事务局2020年度部门决算公开
浏览次数:
来源:霍邱县退役军人事务局
时间:2021-09-28 14:44
我要纠错
文字大小:[
大
中
小
]
背景色:
标签:
文件下载
政策咨询
如果您对该政策文件有疑问,可以拨打标题上方的电话咨询相关部门。
打印本页
关闭窗口
波胆网