返回首页
长辈版
无障碍
网站首页
>
365足球外围
>霍邱县市场监管局
>
财政资金
>
部门项目
索
引
号:
/202206-00120
组配分类:
部门项目
发布机构:
霍邱县市场监管局
主题分类:
综合政务,其他
成文日期:
暂无
发文日期:
2022-06-16 09:45
文 号:
关
键
词:
名 称:
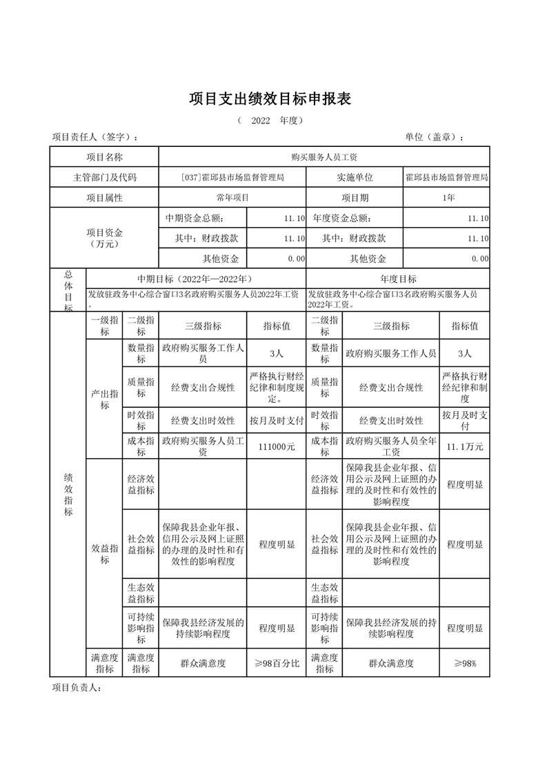
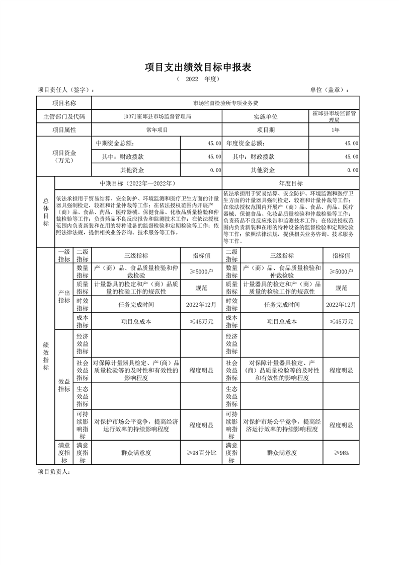
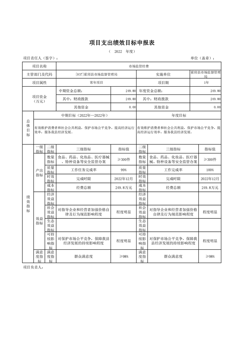
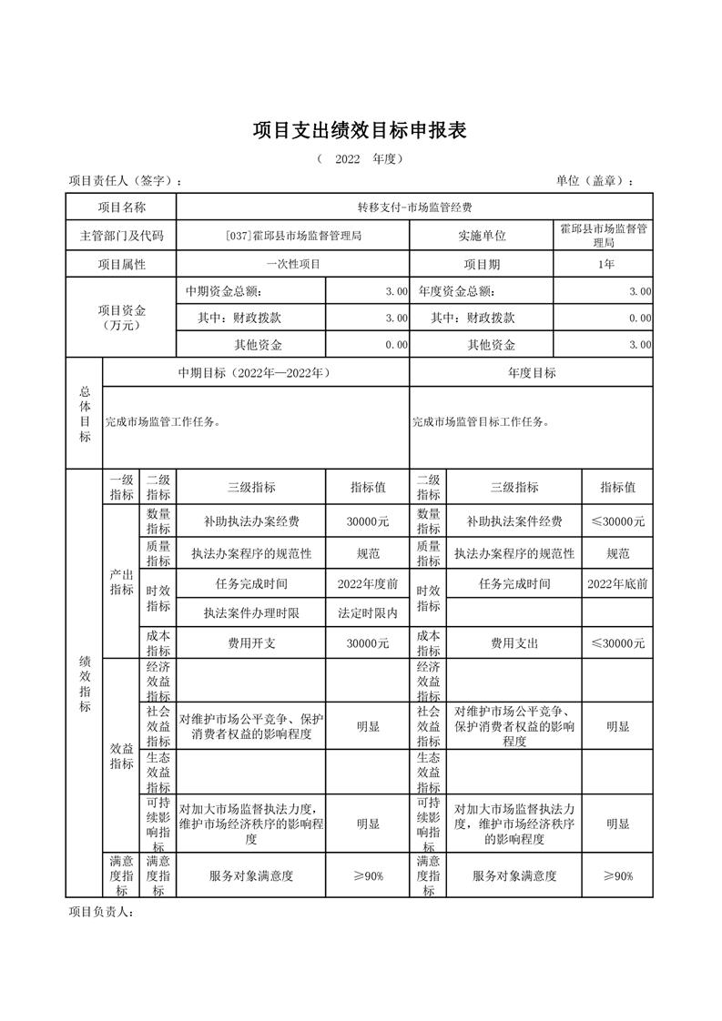
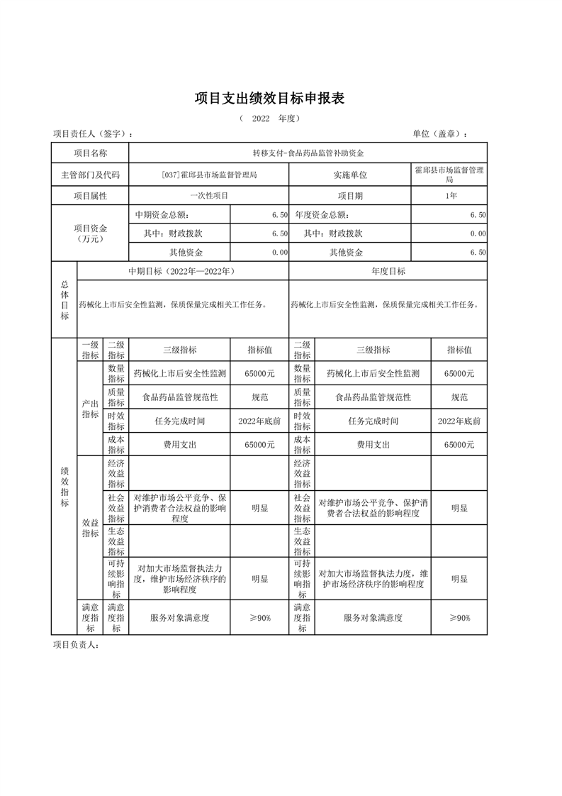
霍邱县市场监督管理局市场监管经费项目支出绩效目标申报表
有
效
性:
有效
霍邱县市场监督管理局市场监管经费项目支出绩效目标申报表
浏览次数:
来源:霍邱县市场监管局(知识产权局)
时间:2022-06-16 09:45
我要纠错
文字大小:[
大
中
小
]
背景色:
标签:
文件下载
政策咨询
如果您对该政策文件有疑问,可以拨打标题上方的电话咨询相关部门。
打印本页
关闭窗口
波胆网