返回首页
长辈版
无障碍
网站首页
>
365体育投注
>霍邱县卫健委
>
财政资金
>
部门项目
索
引
号:
1134142334874916XF/202409-00037
组配分类:
部门项目
发布机构:
霍邱县卫健委
主题分类:
卫生、体育、医疗,其他
成文日期:
暂无
发文日期:
2024-09-27 16:19
文 号:
关
键
词:
名 称:
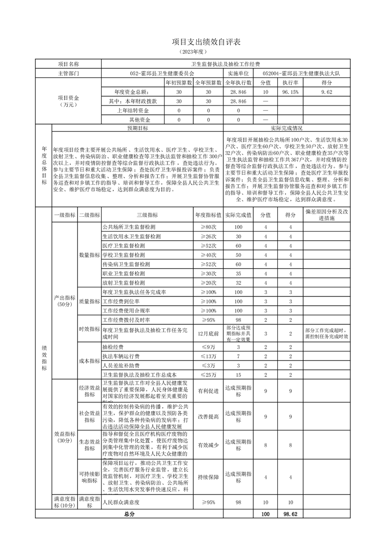
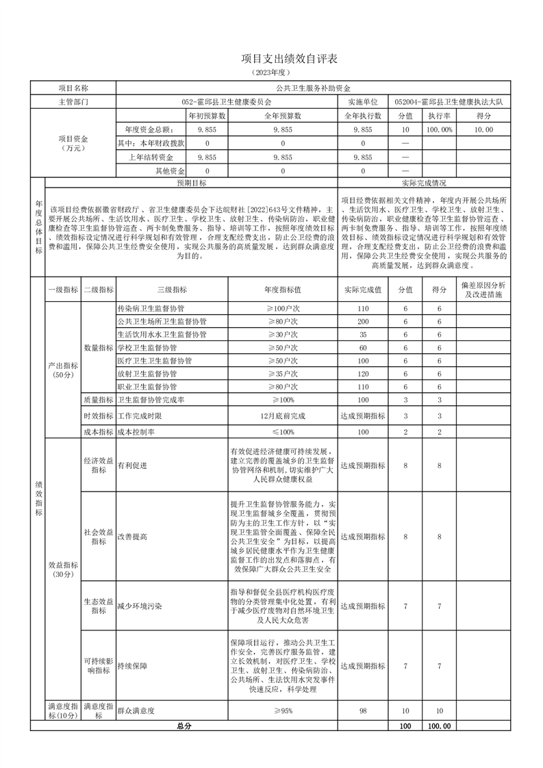
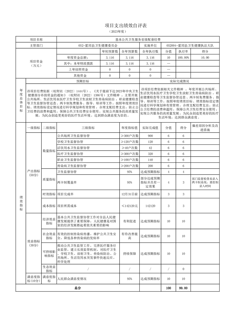
霍邱县卫生执法大队2023年度项目支出绩效自评表
有
效
性:
有效
霍邱县卫生执法大队2023年度项目支出绩效自评表
浏览次数:
来源:霍邱县卫健委
时间:2024-09-27 16:19
我要纠错
文字大小:[
大
中
小
]
背景色:
标签:
文件下载
政策咨询
如果您对该政策文件有疑问,可以拨打标题上方的电话咨询相关部门。
打印本页
关闭窗口
map