返回首页
长辈版
无障碍
网站首页
>
365足球外围
>霍邱县农业农村局(乡村振兴局)
>
重点领域公开
>
高质量发展
>
政策文件及解读
索
引
号:
11341423746767662A/202212-00019
组配分类:
政策文件及解读
发布机构:
霍邱县农业农村局(乡村振兴局)
主题分类:
农业 、林业、水利,其他
成文日期:
暂无
发文日期:
2022-12-01 15:58
文 号:
关
键
词:
名 称:
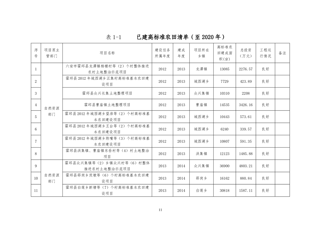
霍邱县2021-2030年高标准农田建设规划
有
效
性:
有效
霍邱县2021-2030年高标准农田建设规划
浏览次数:
来源:霍邱县农业农村局
时间:2022-12-01 15:58
我要纠错
文字大小:[
大
中
小
]
背景色:
标签:
文件下载
政策咨询
如果您对该政策文件有疑问,可以拨打标题上方的电话咨询相关部门。
打印本页
关闭窗口
波胆网