返回首页
长辈版
无障碍
网站首页
>
澳门买球app平台
>霍邱县重点处
>
重点领域公开
>
公共资源配置
>
工程建设项目招标投标
>
履约及变更信息
索
引
号:
12341423MB0L10208D/202504-00007
组配分类:
履约及变更信息
发布机构:
霍邱县重点处
主题分类:
其它,其他
成文日期:
暂无
发文日期:
2025-04-01 10:03
文 号:
关
键
词:
名 称:
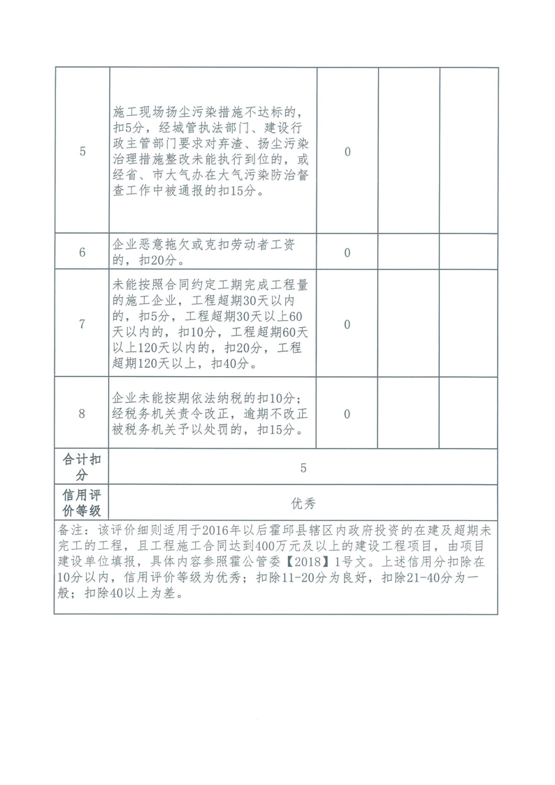
霍邱县重点处2025年一季度施工企业标后履约情况通报
有
效
性:
有效
霍邱县重点处2025年一季度施工企业标后履约情况通报
浏览次数:
来源:霍邱县重点处
时间:2025-04-01 10:03
我要纠错
文字大小:[
大
中
小
]
背景色:
标签:
文件下载
政策咨询
如果您对该政策文件有疑问,可以拨打标题上方的电话咨询相关部门。
打印本页
关闭窗口
map