返回首页
长辈版
无障碍
网站首页
>
365足球外围
>霍邱县公安局
>
财政资金
>
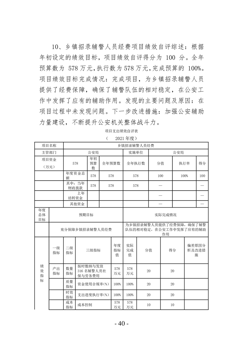
年度财政预决算及“三公” 经费情况
>
本部门决算
索
引
号:
113414230032363181/202209-00022
组配分类:
本部门决算
发布机构:
霍邱县公安局
主题分类:
公安、安全生产、司法,其它,其他
成文日期:
暂无
发文日期:
2022-09-30 08:54
文 号:
关
键
词:
名 称:
霍邱县公安局2021年部门决算公开
有
效
性:
有效
霍邱县公安局2021年部门决算公开
浏览次数:
来源:霍邱县公安局
时间:2022-09-30 08:54
我要纠错
文字大小:[
大
中
小
]
背景色:
标签:
文件下载
政策咨询
如果您对该政策文件有疑问,可以拨打标题上方的电话咨询相关部门。
打印本页
关闭窗口
波胆网